Product Overview
The SOX sampler is designed and manufactured based on UOP technology, suitable for various media in the process condition within pipelines of dry oil and chemical plants, especially for medium and low-pressure gases and liquids with hazardous properties such as toxicity, flammability, and explosiveness, without leakage sampling. The samples have strong authenticity and high accuracy, with no residual liquid or gas emissions. It effectively prevents harm to operators from toxic and harmful media. At the same time, it does not pollute the environment and avoids potential dangerous accidents caused by flammable and explosive media during sampling. It complies with national environmental protection and fire and explosion prevention regulations.

The SCX sampler has been widely used in domestic petrochemical process equipment, such as residuum hydrocracking, heavy oil catalytic cracking, and gas distillation units, and has received positive feedback. Our company produces mainly two types of SCX samplers: the SCXL online sampler and the SCXM closed sampler. Users can choose according to different process requirements. The main body material of each sampler is 1Crl8Ni9Ti or OCrl8Ni9Ti, with a stylish and elegant appearance.
1. SCXL Type Online Sampler ■ Structural Features The SCXL type online sampler is mainly composed of emergency valve, transmission screw, valve body, screw bracket, handle, plunger, discharge tube, sealing assembly, and connecting flange. As the plunger runs through the valve body and connecting flange, it ensures that no residual liquid (gas) is discharged during each sampling, also eliminating the factors causing clogging.

Model, Application Range, and Usage Method ① SCXL-IA Liquid Online Sampler Application Range: This sampler is suitable for sampling various liquids with different viscosities and without strong corrosive properties. Usage Temperature: -20~200°C, Working Pressure: 0~6.4Mpa Usage Method: (1) Align the opening of the sample bottle with the outlet of the sampler's liquid tube.
(2) Rotate the sampler handle counterclockwise slowly until the medium flows out of the liquid outlet:
(3) Once enough samples are collected, immediately rotate the sampler handle clockwise until the screw is fully engaged.
■ Model and Parameters:

②SCXL—IB Type Liquid Online Sampling■Application Range: This sampler is suitable for sampling various liquids with different viscosities and non-corrosive properties. It can also be used as a drain valve, check valve, etc., for areas prone to clogging. Operating Temperature: -20~425°C, Working Pressure: 0~6.4Mpa■Usage Instructions: (1) Align the opening of the sample bottle with the outlet of the sampler. (2) Rotate the handle of the sampler counterclockwise until the medium starts to flow out of the outlet. (3) After the sample is collected, immediately rotate the handle clockwise until the screw is fully retracted.■Model and Parameters

③ SCKl—IC Type Liquid Online Sampler ■ Application Range: This sampler is suitable for sampling various viscosity, highly corrosive, high-temperature, and flammable liquid mediums. Operating Temperature: -20~425°C, Working Pressure: 0~6.4Mpa ■ Usage Instructions: (1) Connect the cooler at the sampler's outlet to the cooling liquid; (2) Align the opening of the sample bottle with the outlet tube of the sampler; (3) Gradually turn the sampler handle counterclockwise until the medium flows out of the outlet; (4) After the sampling is complete, immediately turn the sampler handle clockwise until the screw is fully inserted.

④ SCXL—Ⅱ Online Gas Sampler ■Application Range: Suitable for sampling various gas mediums without particles, condensation, or crystallization. Use Temperature: -20—425°C, Working Pressure: 0-6.4Mpa ■Usage Instructions: (1) Insert the gas collection tube of the gas storage bag into the gas collection joint of the sampler. (2) Rotate the sampler handle counterclockwise slowly until the medium enters the gas storage bag. After the sample is collected, rotate the sampler clockwise until the screw is fully engaged. (3) After sealing the gas bag's intake pipe, move the locking sleeve on the collection joint upward, and the gas collection tube will automatically disconnect from the gas collection joint. ■Model and Parameters:
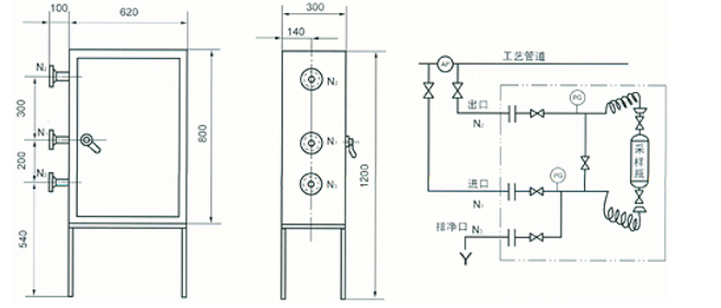
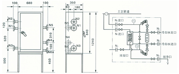
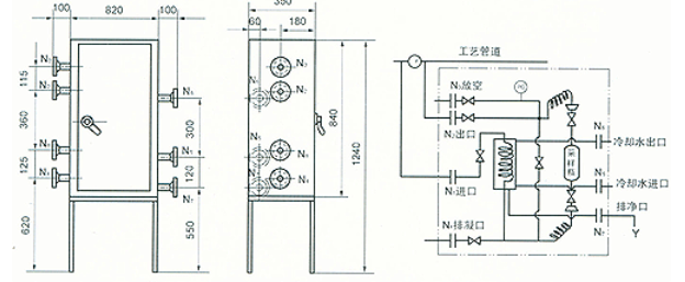
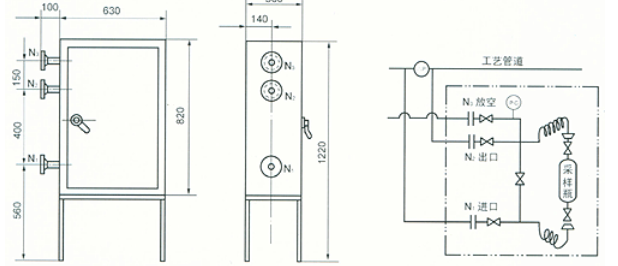
2. SCXM Type Enclosed Sampler - The SCXM type enclosed sampler is mainly composed of the housing, sampling bottle, buffer tank, quick-change handwheel, pressure gauge, valves, seals, and flanges. >> Structural Features - Due to the sampling bottle being connected to the process pipe with a quick-change handwheel, the operation is simple, quick, and convenient. >> Technical Parameters - Application Range ① SCXM-IA Type Liquid Enclosed Sampler - Application Range: Suitable for sampling various liquid media such as toxic, harmful, flammable, and explosive substances. - Technical Parameters: Sampling Temperature: -20 to 60°C, Design Pressure: 0 to 10.0 Mpa, Sampling Volume: 100ml

Note: N1, N2, N3 pipe openings are DN15 PN1.6-10.0. SCXM-IB type liquid enclosed sampler: ■Application Range: Suitable for sampling various liquid mediums such as toxic, harmful, flammable, and explosive. ■Technical Parameters: Sampling Temperature: -20~400°C, Design Pressure: 0~10.0Mpa, Sampling Volume: 100ml

Note: N1, N2, N3 pipe outlets are DN15 PN1.6~10.0
N4, N5, N6 pipe outlets are DN20, PN 1.6
③ SCXM-IIA Type Gas Sealed Sampler - Application Range: Suitable for sampling various types of gases, including toxic, harmful, flammable, and explosive media. - Technical Parameters: Operating Temperature: -20~50°C, Design Pressure: 0~10.0 Mpa, Sampling Volume: 200ml~500ml
Note: N1, N2, N3, N4 pipe outlets are DN15, PN 1.6~10.0
④ SCXM-IIB Type Gas-sealed Sampler ■ Application Range: Suitable for sampling various types of gases, including toxic, harmful, flammable, and explosive, among others. ■ Technical Parameters: Sampling Temperature: -20~400°C, Design Pressure: 0~10.0 MPa, Sampling Volume: 200ml - 500ml

Note: N1, N2, N3, N4 pipe outlets are DN15 PN1.6-10.0
N5, N6, N7 pipe outlets are DN20, PN 1.6
Order Instructions 1. Please specify the sampler model, medium name, pressure, and temperature in detail when placing an order.
2. Please specify the flange standard for the connection face.

































