

GJ Type Fused Silica Dry Mixing Machine
This unit is suitable for vacuum drying and mixing of powdered or granular materials. It can dry materials to very low moisture levels, making it ideal for further drying of low-moisture content materials. It is particularly effective for solvent recovery from materials containing solvents or toxic gases. Especially suitable for low-temperature drying of heat-sensitive materials.
This machine achieves high vacuum levels with a simple and smooth internal structure, making it easy to clean and ensuring complete material removal. Moreover, due to the container's rotation that eliminates material buildup, it boasts a high heat transfer coefficient, shorter drying time compared to box-type dryers, less material wear when compared to mixing types, and the ability to produce the product.
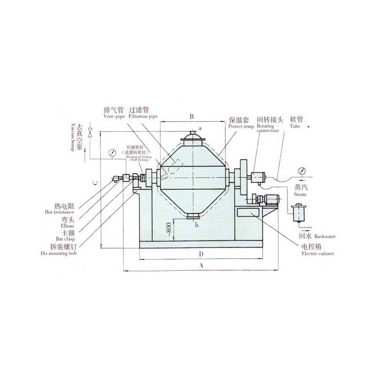
There are two types of sealing methods: mechanical seal and packing seal.
Technical Performance Table

Note: Type B is the standard motor, while Type C is the explosion-proof motor.
REMARK:Type B is the regular type motor Type is the explosion-proof motor
Nozzle Dimension Table mm

Series Size GJ Series Dimension Table mm
































