Usage:
ZLA SeriesHigh-efficiency Two-stage Vacuum Oil Filtration Machine for Transformer OilThe equipment is developed and produced by Chongqing Furun Machinery Co., Ltd. utilizing the vacuum drying principle, separation engineering, and precise filtration technology, specifically designed for rapid purification and processing of various insulating oils.
ZLA SeriesTransformer Oil High-Efficiency Double-Stage Vacuum Filtration MachineSuited for power plants, power stations, electric power companies, substation industries, metallurgy, petrochemical, machinery, and other industries. Especially for on-site maintenance of transformers in large substation plants over 110KV and various types of insulating oils, including: deep purification treatment of insulating oils for high-voltage transformers, current transformers, capacitors, circuit breakers, oil switches, etc., as well as for vacuum oil injection and drying of transformers.
Features:
Two-stage vacuum high-speed extraction and advanced dehydration, degassing system, utilizing large-area three-dimensional flash vaporization technology, can rapidly and efficiently remove impurities, moisture, gases, hydrocarbons, and other harmful components from oil, enhancing the flash point and dielectric strength of the insulating oil.
Can accommodate vacuum evacuation and vacuum oiling of the transformer's main body for installation or on-site application.
The heating system features an optimized pipeline design, ensuring even heating and stable oil temperature.
Precision filtration system, multi-stage filtration for enhanced encryption, high dirt-holding capacity. Effectively removes impurities from oil and features an automatic detection function for filter element contamination.
Advanced automatic temperature control system, automatic liquid level control system, automatic pressure protection system, and superior configuration ensure high-performance operation of the equipment.
Online oil filtering, capable of unattended operation; operating status indicated by indicator lights.
User-friendly design, low noise, easy operation, long maintenance intervals, low energy consumption, cost-effective operation.
The entire unit is equipped with interlocked safety protection, where the oil filling and heating systems are interlocked to prevent adverse effects from incorrect operation.
Filter change indicators and core saturation shutdown devices are available.
Equipped with a leakage and overload shutdown device to protect the motor.
Phase sequence and phase loss protection, sudden stop safety mechanism.
Optional Mode:
Optional PLC intelligent control, touch screen operation, and dynamic display available based on customer requirements.
Select online moisture measurement instrument, online pressure resistance value tester.
Optional water ring vacuum pump available.
Optional flowmeters with cumulative function.
The entire structure can be made into mobile, fixed, trailer-mounted (half or full-axle), fully enclosed, awning-style, canvas canopy, and open-style.

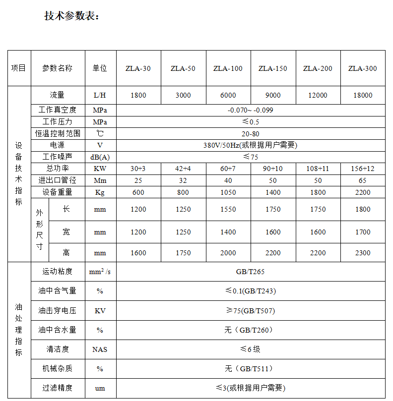
Dimensions, size, and technical specifications of the equipment are for reference only and may slightly vary with the continuous development of the product. Please refer to the actual product for accuracy.
































