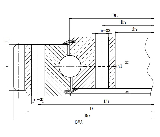
(Q Series) Single-row Four-point Contact Ball Type Swivel Bearing - External Tooth Type
Structural Features, Performance, Application Range
A single-row four-point contact ball-type spherical bearing is composed of two races, featuring a compact structure and light weight. The steel balls are in four-point contact with the circular arc raceways, enabling simultaneous bearing of axial force, radial force, and overturning moment. It can be used in various construction machinery such as rotary conveyors, welding manipulators, medium and small-sized cranes, and excavators.






















