Series 02 Ball Bearing Turntable - External Tooth Design
Structural Features, Performance, Application Range
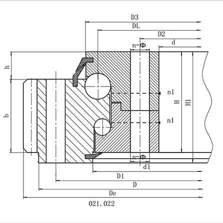
The double-row ball bearing has three raceways, with steel balls and spacers directly arranged into the upper and lower tracks. Depending on the load conditions, two rows of steel balls with different diameters are arranged. This open assembly is very convenient, with both upper and lower circular arc tracks having a loading angle of 90°, capable of withstanding significant axial forces and overturning moments. The track must be specially designed when the radial force exceeds 0.1 times the axial force. The double-row ball bearing has large axial and radial dimensions and a sturdy structure. It is particularly suitable for tower cranes, mobile cranes, and other loading and unloading machinery requiring medium to large diameters.






















