(11 Series) Single-row Crossed Roller Thrust Bearings - Toothless
Structural Features, Performance, Application Scope
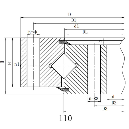
Single-row crossed roller bearing, consisting of two rings, features compact structure, light weight, high manufacturing precision, and small assembly clearance. It requires high installation precision, with rollers arranged in a 1:1 cross pattern, capable of simultaneously withstanding axial forces, overturning moments, and significant radial forces. Widely used in lifting and transportation equipment, as well as construction machinery products.






















