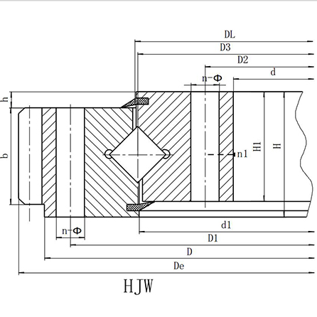
(HJ Series) Single-row crossed roller bearing with external teeth
Structural Features, Performance, Application Scope
Single-row crossed roller thrust bearing, composed of two rings, features compact structure, light weight, high manufacturing precision, and small assembly clearance. It requires high installation precision and features 1:1 crossed roller arrangement, capable of withstanding axial force, overturning moment, and significant radial force simultaneously. Widely used in lifting and transportation equipment, as well as construction machinery products.






















