产品Price Negotiable
最小起订Quantity: 供货总Quantity:
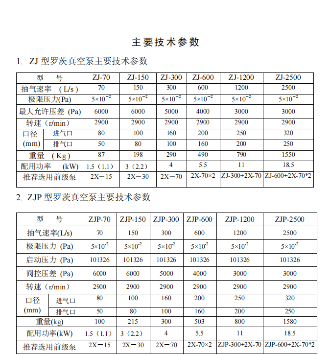
ZJ, ZJP Series Roots Vacuum Pumps ZJ, ZJP Product Introduction The ZJ Roots Vacuum Pump (abbreviated as Roots Pump) is a variable-volume vacuum pump featuring two impellers rotating in opposite directions within the pump chamber, with minimal gaps between the impellers and the inner wall of the pump housing, ensuring they do not touch each other. The ZJP model Roots Vacuum Pump with bypass valve is a derivative of the ZJ model, employing the same vacuum extraction principle as the ZJ pump. Roots vacuum pumps have undergone long-term operation in equipment such as oil, chemical, plastic, pesticide, steam turbine rotor dynamic balancing, aerospace space simulation, and should be vigorously promoted and applied domestically. They are also widely used in industries such as oil, chemical, metallurgy, and textile. Vacuum pump accessories, as noise suppressors, are used for noise control in vacuum pumps.



Phone Consultation