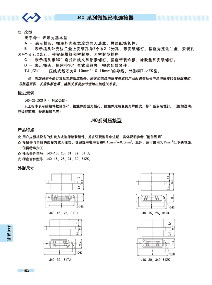
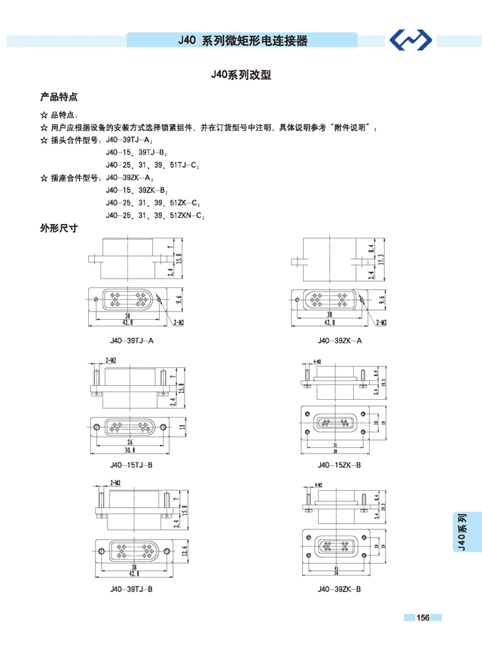
J40 Series Micro-Rectangular Aviation Connector, featuring twisted wire-type elastic pins (twisted pins), ensures reliable contact. It is an upgrade product for the J24H Series Aviation Connectors, with a wide range of wire cross-sectional areas, allowing for higher contact current. The connector back features a shielded wire clamp, securing the cable wire to the pins with stability and firmness.









































