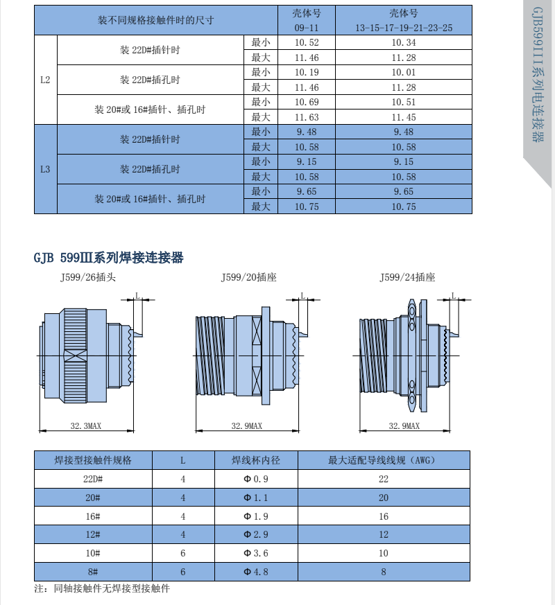
MIL-DTL-38999KIII series circular electrical connectors, compliant with GJB599A standards, feature three-threaded connections and anti-loosening mechanisms. Their performance is opposite to the 599II series, offering high vibration resistance at high temperatures, suitable for operation in harsh environments.










































