Product Description
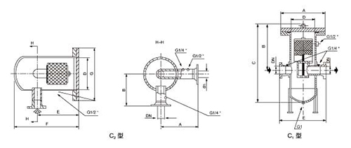
Our newly developed ZXG-G series axial flow gas filters are reverse flow filters, primarily used for gas filtration in various gas pipeline systems to ensure the normal operation of equipment in the pipeline system. This series features a large filtration area, high efficiency, low pressure loss, and easy installation. The product line includes two types of installation: C1 type axial connection (as shown in Figure C1) and C2 type right-angle connection (as shown in Figure C2). Additionally, we offer G type filtration and Y type filters.
Primary Technical Parameters
Design Pressure Grades: 1.6 MPa, 2.5 MPa, 4.0 MPa, 6.3 MPa
Rated Working Pressure: 1.6 MPa, 2.2 MPa, 3.2 MPa, 4.5 MPa
Filter Purity: 5μm, 20μm, 50μm, 100μm
Structural department illustration

Primary structure and dimensions
ZXG-C Type Filter Cartridge

ZXG-C1 Type Dimensions

XXG-C2 Model Dimensions



























