Product Application
Suitable for liquefactionPetroleum GasHigh-pressure and medium-pressure gas transmission and distribution network with automatic pressure regulating system. Widely used in urban and rural residential areas, industrial and mining enterprises, and thermal processing liquefied gas applications.Petroleum GasAutomatic regulation and control of gasification distribution pressure.
Product Features
Compact, easy to install, stable performance, safe and reliable.
Key Technical Parameters
Import Pressure P1: ≤1.6 MPa
Export Pressure P2: 40-350 KPa (adjustable)
Stabilization accuracy εP2: ≤ ±10%
Rated Flow Rate: 40-260 Nm³/h

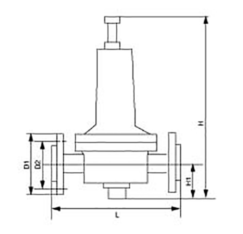
Structure Diagram



























