Product Application
RTZ-※/※FQ type gas regulators are suitable forNatural GasRegulation and stabilization of natural gas, liquefied gas, and other non-corrosive gases; applicable to residential community buildings and small apartment facilities.
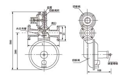
Product Features
1) This series of regulators features a modular structural design, with all signal tubes being integrated. They offer stable performance, high flow rates, low cost, and compact structure, allowing for online maintenance for added convenience.
2) Overpressure automatic cutoff.
3) The regulator can also be configured as a single bypass (1+1), dual bypass (2+1), and other cabinet-type pressure regulating systems.
Structural illustration




























