PID/SSR control with high accuracy, fast feedback, and durable performance.
Equipped with multiple overheat and overload protection devices, the equipment is fully secured and can operate continuously for 365 days a year without interruption.
Air outlet equipped with K-type thermocouple for direct detection and control, ensuring a constant air temperature.
Multi-fiber insulating cotton for heat insulation, sturdy casing, safe and reliable use, capable of long-term high-temperature operation.
Continuous operating temperature up to 350℃/450℃/500℃, widely applicable.
Standard recirculating hot air blower with a patented heat dissipation device, continuously blowing air temperature up to 230℃/400℃, equipped with a variable frequency drive for air volume control, showcasing superior energy-saving, high controllability, and minimal heat loss.
Additionally, a remote switch (6m) and a heat-insulating sleeve for the fan housing are available for selection.
Standard circular hot air blowers utilize internationally renowned electrical main components (such as variable frequency drives, PID temperature controllers, SSRs, circuit breakers, intermediate relays, magnetic switches, etc.). The PID temperature controller offers an accuracy of ±0.5% and is equipped with remote switches.
The economic-cycle heat blower employs internationally renowned electrical main controls (such as PID temperature controllers, SSRs, circuit breakers, intermediate relays, magnetic switches, etc.), does not include a variable frequency drive, but is equipped with a motor protector. The accuracy of the PID temperature controller is ±0.5%.
Practical recirculating heat blowers utilize domestic brand electrical main controls (such as PID temperature controllers, SSRs, circuit breakers, intermediate relays, magnetic switches, etc.). The PID temperature controller has an accuracy of ±0.5%. Does not include a variable frequency drive, but is equipped with a motor protector.
The B-type circulating hot air blower does not include a temperature control unit; it only consists of the fan and heating element.
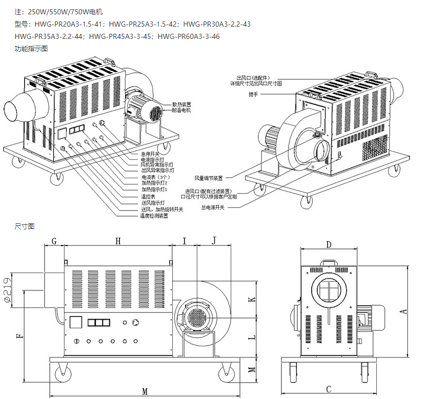
Model Description:

Example:
1: HWG-PR5A3-018-22 (Practical Recirculating Hot Air Blower, 5KW electric heating power, 3-phase 380V power supply, 250W motor, Type 2 housing; with temperature control)
2: HWG-PR20A3-3-41 (Practical Recirculating Hot Air Blower, electric heating power of 20KW, 3-phase power supply of 380V, motor power of 3KW, Type 4 cabinet; with temperature control configuration)
Practical Recirculating Heat Blower Specifications Sheet



Practical Recirculating Heat Blower Specifications Sheet
Model: HWG-PR3A1-006-11; HWG-PR3A1-018-12; HWG-PR5A3-006-21
HWG-PR5A3-018-22;HWG-PR5A3-025-23;HWG-PR7.5A3-006-24
HWG-PR7.5A3-018-25;HWG-PR7.5A3-025-26
Function indicator diagram































