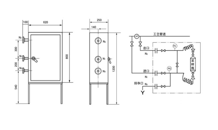
CSR Type密闭 sampling unit, mainly composed of the housing, sampling bottle, buffer tank, quick-change handwheel, pressure gauge, valves, seals, and flanges.
Structural Features
Due to the quick-change handwheel connection between the sampling bottle and the process tube, operation is simple, quick, and convenient.
Technical Parameters Applicability Range
CSR-IA Type Liquid Sealed Sampler
Application Range: Suitable for sampling various liquid media such as toxic, harmful, flammable, and explosive substances.
Technical Parameters: Sampling Temperature: -20~60°C, Design Pressure: 0~10.0 MPa, Sampling Volume: 100ml































