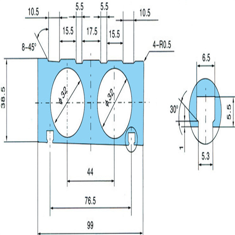
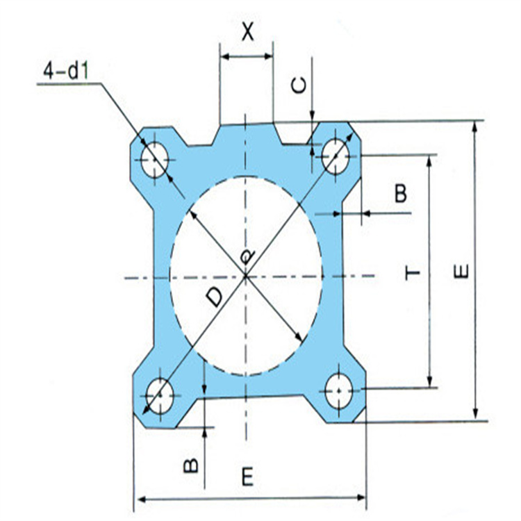
The company boasts new manufacturing aluminum profiles machinery and production technology, producing various industrial profiles, pipes, all kinds of electronic heat sinks, rods, and other new decorative materials. We offer a one-stop service for design, development, and installation for our customers (for special models, just provide us with the detailed dimensions, and we'll take care of the rest). Surface treatments include oxidation, electro-phoresis, and spraying, etc.

































