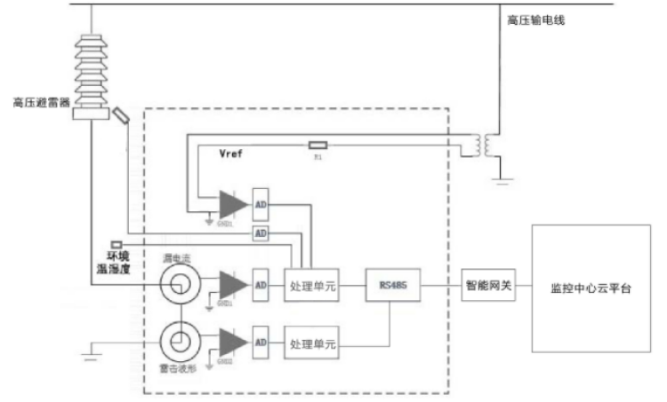
金属氧化锌避雷器是电力设备的关键设备,流经避雷器上的阻性电流是衡量避雷器绝缘程度的一项重要指标。通过对避雷器的全电流、阻性电流、容性电流、雷击次数及雷击时刻进行实时在线监测,可实现对高压电气设备的绝缘状况进行实时监测;同时,通过分析监测数据可及时发现金属氧化锌避雷器潜在的故障并为状态检修提供重要的数据依据,为电力系统安全、可靠、稳定、经济的运行提供了一个强力、可靠的保证,为运行检修人员提供可靠的设备绝缘信息和科学的检修依据,从而达到减少事故发生,延长检修间隔,减少停电检修次数和时间,提高设备利用率和整体经济效益的目的。
我司产品有多种尺寸可供选择,比差精度0.05%,角差精度0.05%,测试下限可达10uA,防护等级满足IP67,可以长时间户外安全运行。





