详情描述
ZDJ系列振动电机将激振器和动力源合为一体,具有能耗少、体积小、重量轻、耗资少、使用维护控制方便等优点.ZDJ系列振动电机具有效益高、起动电流小、起动转矩大、调节激振力简单可靠,能在潮湿多尘、电压波动的恶劣环境中可靠运行,它的安装尺寸与国内同类产品一致,该振动电机具有良好的互换性。ZDJ系列振动电机专用于各种振动筛分设备的振动源,广泛应用于矿山、矿山、化工、电力、水泥、机械制造等各种行业。ZDJ振动电机具有振动力大,振动力方便可调,维护方便等特点,激振力大;机体强度大。激振力与出力配合适当;噪音低。可按照不同的用途选择振动频率和振幅。只须调整偏心块的夹角,就可无级调整激振力。维护保养简便。全封闭结构,可在任何无防爆要求的粉尘条件下工作。可根据振动电机的安装方式改变激振力的方向。
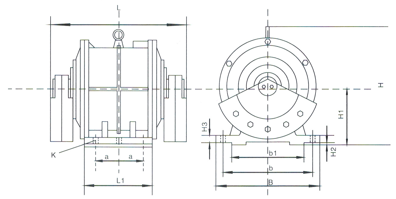
ZDJ系列振动电机安装尺寸:

ZDJ系列振动电机技术参数:
使用条件:

振动电机订货须知:
(1) 写明所需产品的规格、功率、激振力、极数、数量。
(2) 对面漆有无特殊要求。
(3) 对电机引出线有无物殊要求。
(4)可定制特殊参数的振动电机,如特殊电压、特殊安装尺寸等

















冀公网安备13010402003046号