- AllProduct Category
-
(02 Series) Double排球式Swivel Bearing
(HJ Series) Single-row Crossed Roller Thrust Bearing
(11 Series) Single-row Crossed Roller Bearing Swivel
(Q Series) Single-row Four-point Contact Ball-type Swivel Bearings
(HS Series) Single-row Four-point Contact Ball-type Swivel bearing
(01 Series) Single Row Four-Point Contact Ball Type Swivel Bearing


详情描述
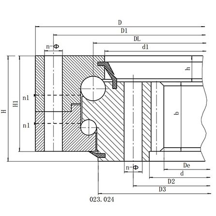
Series 02 Ball Race Retainer - Internal Toothed
Structural Features, Performance, Application Scope
The double-row spherical roller bearing features three races, with steel balls and separators directly inserted into the upper and lower raceways. Depending on the loading conditions, two rows of steel balls with different diameters are arranged. This open assembly is extremely convenient, with both upper and lower circular raceways having a loading angle of 90°, capable of withstanding significant axial and overturning moment forces. The raceways must be specially designed when the radial force exceeds 0.1 times the axial force. The double-row spherical roller bearing has larger axial and radial dimensions and a sturdy structure. It is particularly suitable for tower cranes, mobile cranes, and other loading and unloading machinery requiring medium to large diameters.













