- AllProduct Category
-
(02 Series) Double排球式Swivel Bearing
(HJ Series) Single-row Crossed Roller Thrust Bearing
(11 Series) Single-row Crossed Roller Bearing Swivel
(Q Series) Single-row Four-point Contact Ball-type Swivel Bearings
(HS Series) Single-row Four-point Contact Ball-type Swivel bearing
(01 Series) Single Row Four-Point Contact Ball Type Swivel Bearing


详情描述
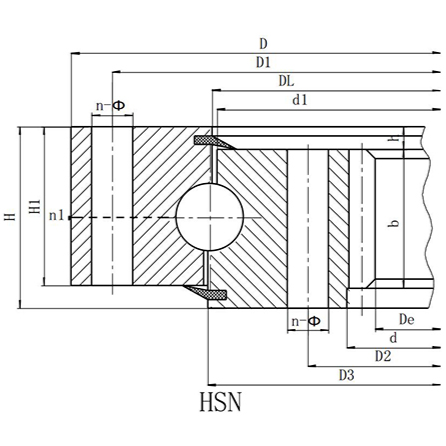
(HS Series) Single-row Four-point Contact Ball Type Universal Joint - Internal Toothed
Structural Features, Performance, Application Range
The single-row four-point contact ball-type pivot bearing is composed of two raceways, featuring compact structure, light weight, and steel balls in four-point contact with the arcuate track, enabling it to withstand axial forces, radial forces, and overturning moments simultaneously. It can be used in various construction machinery such as rotating conveyors, welding machines, medium and small cranes, and excavators.













