- AllProduct Category
-
(02 Series) Double排球式Swivel Bearing
(HJ Series) Single-row Crossed Roller Thrust Bearing
(11 Series) Single-row Crossed Roller Bearing Swivel
(Q Series) Single-row Four-point Contact Ball-type Swivel Bearings
(HS Series) Single-row Four-point Contact Ball-type Swivel bearing
(01 Series) Single Row Four-Point Contact Ball Type Swivel Bearing


详情描述
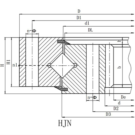
(HJ Series) Single-row Crossed Roller Thrust Bearings - Internal Toothed
Structural Features, Performance, Application Range
Single-row crossed roller bearing, consisting of two rings, features compact structure, light weight, high manufacturing precision, and minimal assembly clearance. It demands high installation accuracy, with rollers arranged in a 1:1 crossed pattern, capable of simultaneously supporting axial forces, overturning moments, and significant radial forces. Widely used in lifting and transportation equipment, as well as construction machinery products.














