- AllProduct Category
-
(02 Series) Double排球式Swivel Bearing
(HJ Series) Single-row Crossed Roller Thrust Bearing
(11 Series) Single-row Crossed Roller Bearing Swivel
(Q Series) Single-row Four-point Contact Ball-type Swivel Bearings
(HS Series) Single-row Four-point Contact Ball-type Swivel bearing
(01 Series) Single Row Four-Point Contact Ball Type Swivel Bearing


详情描述

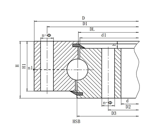
(HS Series) Single-row Four-point Contact Ball Type Swivel Bearing ---- Gearless
Structural Features, Performance, Application Range
Single-row four-point contact ball-type rotary bearing consists of two raceways, featuring a compact structure, light weight, and steel balls in contact with the circular arc raceways at four points. It can simultaneously withstand axial forces, radial forces, and overturning moments. Suitable for machinery and equipment such as turntable conveyors, welding manipulators, medium and small cranes, excavators, and other engineering machinery.












