- AllProduct Category
-
(02 Series) Double排球式Swivel Bearing
(HJ Series) Single-row Crossed Roller Thrust Bearing
(11 Series) Single-row Crossed Roller Bearing Swivel
(Q Series) Single-row Four-point Contact Ball-type Swivel Bearings
(HS Series) Single-row Four-point Contact Ball-type Swivel bearing
(01 Series) Single Row Four-Point Contact Ball Type Swivel Bearing


详情描述

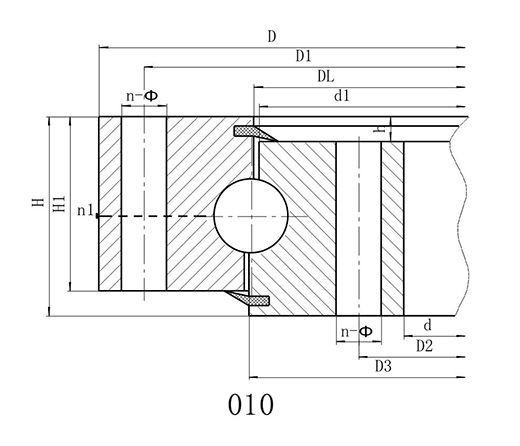
(01 Series) Single-row Four-point Contact Ball Type Swivel Bearing - Gearless
Structural Features, Performance, Application Range
The single-row four-point contact ball-type swivel bearing consists of two seat rings, featuring a compact structure, light weight, and steel balls in four-point contact with the arc-shaped raceway. It can simultaneously withstand axial forces, radial forces, and overturning moments. This bearing is suitable for various construction machinery such as turntable conveyors, welding manipulators, medium and small cranes, and excavators.













