- AllProduct Category
-
Pressure Transmitter
Linear Position Sensor
Tie-rod Position Sensor
Magnetic-Inductive Level Gauge
Magnetic-Induced Eddy Current Displacement Sensor

400-8488-773

详情描述
Specs
| Model Name | Rated Capacity | Weight (approx. kg) |
| GD-500KP | 500kPa | 6.5 |
| GD-1MP | 1MPa | 6.5 |
| GD-2MP | 2MPa | 6.5 |
The specifications and appearances listed above may be changed without prior notice.
Load Characteristics
| Rated Capacity | 500 kPa, 1 MPa , 2 MPa |
| Permitted overload | 120 %R.C. |
| Excessive Load | 150%R.C. |
| Rated Output | 1.02 mV/V±0.204 mV/V |
| Nonlinear | 1 %R.O. |
| Lag | 1 %R.O. |
| Repetitive | 1 %R.O. |
Electrical Characteristics
| Recommended激励voltage | 10V and below |
| Incentive Voltage | 15 V |
| Zero-point balance | ±0.05 mV/V |
| Input Resistance | 350 Ω±5 Ω |
| Output Resistance | 350 Ω±5 Ω |
| Insulation Resistance | Over 1,000 MΩ (DC 50 V) (bridging body) |
Temperature characteristics
| Temperature Compensation Range | -15 ℃ to 55 ℃ |
| Allowable temperature range | -20 ℃ to 60 ℃ |
| Zero-point temperature effect | 0.5 %R.O./10 ℃ |
| Output Temperature Affects | 0.5 %LOAD/10 ℃ |
Mechanical characteristics
| Fatigue Life | Rated Capacity: 10^6 times |
| Cable | 4-core shielded chloroprene armored cable, 30m, outer diameter 10mm, bare wire at the front |
| Ingress Protection (IP) Rating | IP64 (housing) |
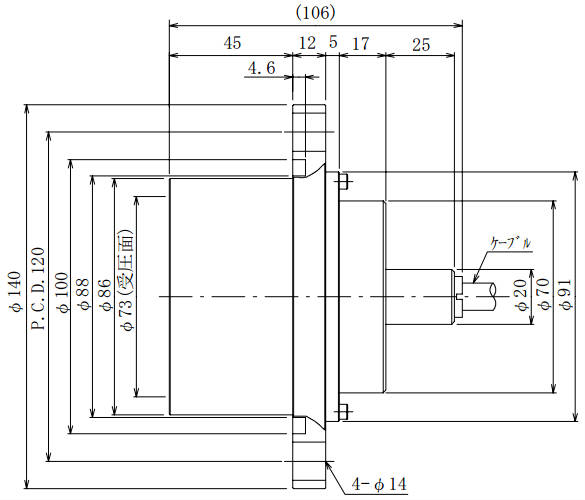
| Pressure face diameter | Approx φ73 |
| Outer packaging | Pressed Surface - Stainless Steel Material |
| Flange, Cable Lead-out Section MF Zn-C Plating |
※ Optional antimicrobial adhesive coating available.
Wiring diagram

Dimensions diagram











