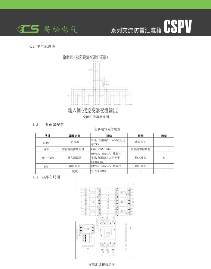
CSPV-06 Lightning Protection Busway for Large-Scale Photovoltaic Grid-Tied Power Systems is designed to reduce the connection lines between photovoltaic grid-tied inverters and the grid-tied cabinet, facilitating maintenance and improving reliability. Generally, a DC busbar assembly needs to be added between the photovoltaic grid-tied inverter and the grid-tied cabinet. Our series of photovoltaic AC lightning protection busways are specially designed to meet this requirement, providing a complete photovoltaic power generation system solution when paired with photovoltaic inverter products. With the AC busway, users can collect a certain number of grid-tied inverter outputs through lightning arresters and circuit breakers, according to the rated input current and voltage of the AC grid-tied cabinet, making it convenient to connect to the downstream grid-tied cabinet.
Advises users to adhere to necessary safety regulations during installation and use. To ensure personal safety and reduce risks, users must follow the safety measures outlined in the manual.
The lightning protection busbar box features the following characteristics:
(1). Utilizing renowned brand circuit breakers for 25 years of operation.
(2). Optional smart monitoring module for recording current, voltage, electrical energy, and switch data:
(3). IP65 protection rating, meets outdoor requirements; rigorous high and low temperature testing, suitable for extreme environmental use; (4). Reliable lightning protection.

































