Product description
Ruiyin Hydraulic currently has nine sets of gear pump series with a displacement range of 0.16-199cc/r, which can meet the needs of most working conditions.
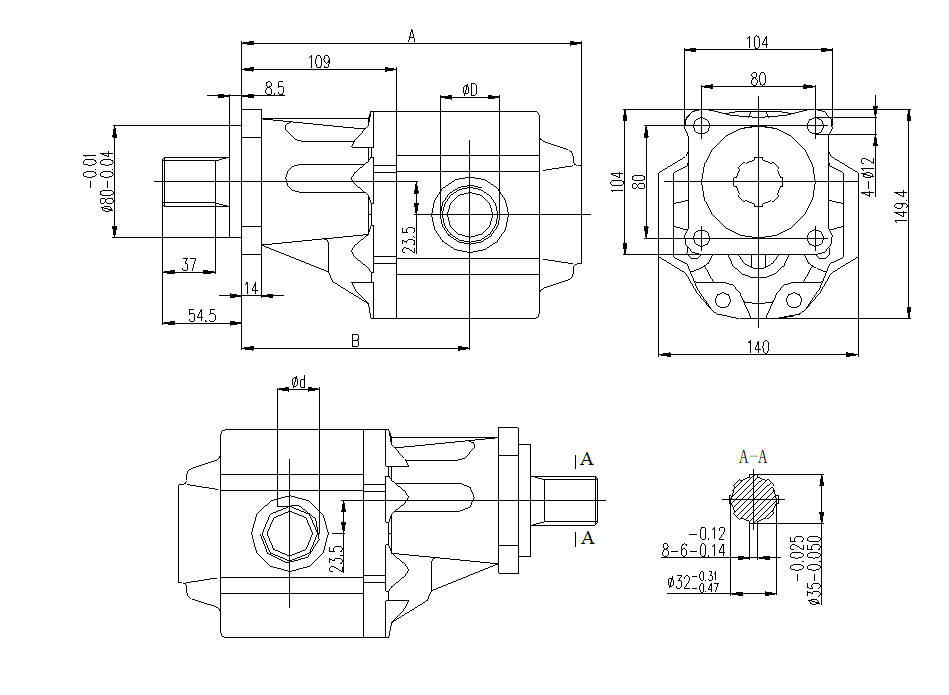
Displacement 82-95cc/r, single coupled to multi coupled
Automatic compensation function for axial clearance
Adopting imported CNC machining equipment
Reliable quality and stable performance































