Product description
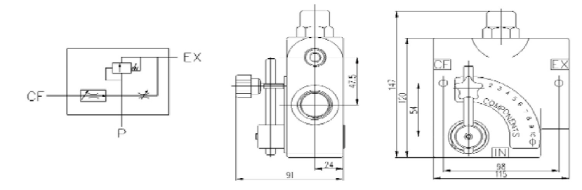
The LKF flow control valve of Ruiyin Hydraulic is a full range pressure compensated variable flow control. Its orifice area will change with the rotation of the valve stem.
Control the flow rate of the oil port to be stable and constant
Having an adjustable spring safety ball valve allows the pressure to rise to the set safe pressure
The factory set pressure of the safety valve is 1500psi, with an adjustable range of 750-3000psi































