
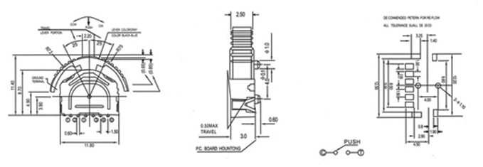
Technical Specifications:
Temperature Range | -30~+70℃ | Withstand Voltage | AC 250V(50Hz)/MIN |
Rated Load | DC 12V 50mA | Actuating Force | 100-350G |
Contact Resistancentact Resistance | ≤0.03Ω | Service Life | 100,000 times |
Insulation Resistance | ≥100MΩ |
| |
Home > SupplyPro Co., Ltd. > H-559-036
H-559-036
详细Info
Technical Specifications:
|
b2b.china9.net © Zhongshang 114 Hebei Network Technology Co., Ltd.Address: Room 6009, Oriental New World Center, No.118 East Zhongshan Road, Qiaoxi District, Shijiazhuang City, Hebei ProvincePlatform Service Hotline: 4006299930
