在线客服邀请中...
您好,现在客服正邀请与您通话,请留下您的联系方式,客服将尽快与您取得联系。
点击提交代表您同意
《服务条款》
《隐私政策》
提交电话
Zhongshang 114 Industry Resources NetworkHome
联系方式:4006299930
Website Home
Company Introduction
SupplyPro Co., Ltd.
News Center Co., Ltd.
Honor Qualification Co., Ltd.
Contact Information
Product Categories
全部分类
DC Screen Accessories Series
AC/DC Panel Series
5G Base Station Power Supply
EPS Emergency Power Supply Series
Uninterruptible Power Supply (UPS)
Switches
Direct Current Power Supplies
Contact Information
联系人:赵经理
电话:19884643348
手机:19884643348
Home
>
Honor Qualification Co., Ltd.
>
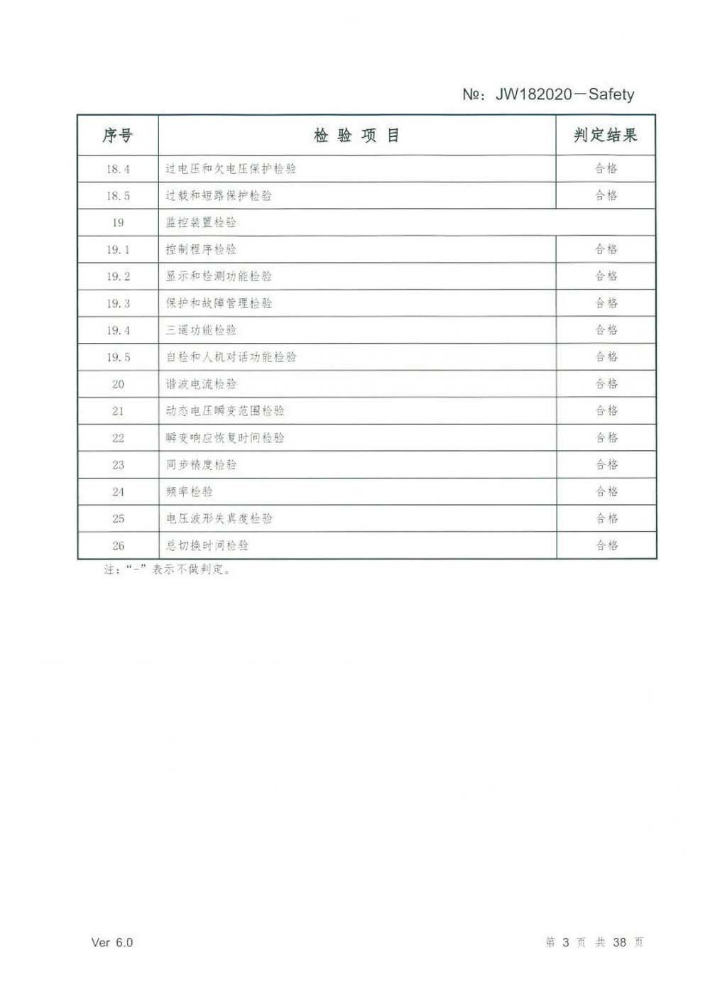
电气性能及安全检验报告
Honor Qualification Co., Ltd.
证书名称:
电气性能及安全检验报告
发证机构:
许昌开普检测研究院股份邮箱公司
上传时间:
2025-02-21
证书介绍
证书图片
Submit
Click submit means you agree to
《Service terms》
《Privacy policy》
Phone Consultation
Consultation Phone:
19884643348
Back to Top