在线客服邀请中...
您好,现在客服正邀请与您通话,请留下您的联系方式,客服将尽快与您取得联系。
点击提交代表您同意
《服务条款》
《隐私政策》
提交电话
中商114行业资源网首页
联系方式:4006299930
网站首页
公司介绍
供应产品
新闻中心
荣誉资质
联系方式
产品分类
全部分类
直流屏配件系列
交直流屏系列
5G基站电源
EPS消防应急电源系列
UPS不间断电源
开关
直流电源类
联系方式
联系人:赵经理
电话:19884643348
手机:19884643348
首页
>
荣誉资质
>
电磁兼容检验报告
荣誉资质
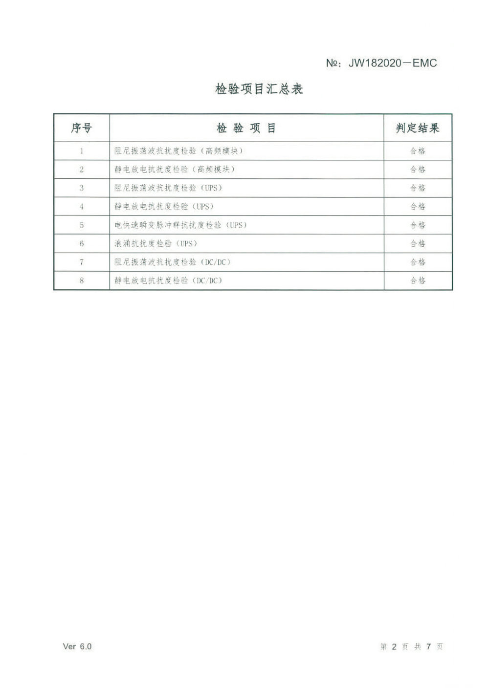
证书名称:
电磁兼容检验报告
发证机构:
许昌开普检测研究院股份邮箱公司
上传时间:
2025-02-21
证书介绍
证书图片
提交
点击提交代表您同意
《服务条款》
《隐私政策》
电话咨询
咨询电话:
19884643348
回到顶部