
I. Applicable Scope
The LSM× series high-voltage enclosed busway is suitable for power transmission and distribution systems with rated voltages of 3KV to 35KV and rated working currents of 250A to 5000A. It is primarily used for electrical connections between transformers and high-voltage switchboards, power supply systems in large factories and mines, hydropower plants, large-scale transformer stations, power plants, steel companies, and self-generated power plants of large enterprises, as well as for electrical connections between generators and step-up transformers.

Section II: Structural Performance
1. The housing is made of non-magnetic aluminum alloy plates (or low-magnetic steel plates), featuring minimal maintenance requirements. It is fully enclosed and airtight, offering excellent corrosion resistance and heat dissipation, as well as good grounding properties. The non-magnetic aluminum material significantly reduces the eddy current heating caused by high-voltage currents.
2. Its unique flange design allows for flexible assembly of larger busbar enclosures without the need for elbows, thereby achieving a degree of standardization and modularization in the design and installation of the busbar system.
3. Each section of busbar typically features a standard maintenance access hole at the top (optional on the side to meet site requirements), allowing maintenance personnel to access any position within the busbar channel. The maintenance opening is crafted using a unique flanging technique and high-standard full welding on the flange, resulting in an IP54 protection rating for the busbar housing. This ensures that installation in standard outdoor environments does not require adjustment of the protection rating.
4. The exquisite manufacturing process and reasonable structure ensure that after the busbar is produced, the surface is smooth and even, meeting the requirement of no condensation on the outdoor casing. The necessary drainage device at the bottom of the busbar effectively releases internal condensation while also preventing dust and foreign objects from entering.
5. Rationalized internal bracket design ensures a large electrical clearance between each phase busbar, fully meeting customer requirements. The grounding terminal design at each busbar flange end allows for a seamless overall grounding system after the busbar system is installed.
6. The exterior shell is coated with a matte finish paint, and the color can be selected according to customer requirements.

Section 3: Insulation Configuration
The busbars of LSMX series high-voltage enclosed busway use air as the insulation medium, and select the corresponding insulation electrical gap (mm) according to different electric turn grades.

IV. Main Technical Parameters
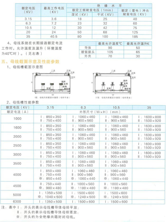
1. Rated Current: 250A, 400A, 630A, 800A, 1000A, 1250A, 1600A, 2000A, 2500A, 3150A, 4000A, 5000A, 6300A.
2. Operating Frequency: 50~60 Hz, 3-phase 3-wire.
3. Rated working voltage, high working voltage, rated withstand voltage for rated frequency (1min), rated (lightning) impulse withstand voltage. (See the table below.)



