
I. Scope of Application
The LSM× series high-voltage enclosed busway is suitable for power distribution systems with rated voltages of 3KV to 35KV and rated working currents of 250A to 5000A. It is mainly used for electrical connections between transformers and high-voltage switchboards, power supply systems in large factories and mines, hydropower stations, large-scale power substations, thermal power plants, steel companies, and self-powered power plants of large enterprises, as well as electrical connections between generators and step-up transformers.

II. Structural Performance
1. The housing is made of non-magnetic aluminum alloy plate (or low-magnetic steel plate), featuring minimal maintenance workload. It is a fully enclosed, non-ventilated design with excellent corrosion resistance and heat dissipation, as well as grounding properties. The non-magnetic aluminum material significantly reduces eddy current heating caused by high-voltage currents.
2. Its unique flange design allows for flexible assembly of larger busbar enclosures without the need for elbows, thereby achieving degree and standardization in the design and installation of the busbar system.
3. Each busbar typically features a standard maintenance aperture at the top (alternatively, one can be set on the side as per site requirements), allowing maintenance personnel to access any position within the busbar channel. The maintenance aperture is crafted using a unique flanging technique and high-standard full-welding technology for the flange, resulting in a high IP54 protection level for the busbar housing. It can be installed in most outdoor environments without the need to adjust the protection level.
4. The exquisite manufacturing process and reasonable structure ensure that after the busbar is produced, the surface is smooth and flat, meeting the outdoor casing's requirement for no water accumulation. The necessary water drainage device at the bottom of the busbar not only effectively drains the internal water accumulation but also blocks the entry of dust and foreign objects.
5. Rationalized internal bracket design ensures a large electrical clearance between each phase busbar, fully meeting customer requirements. The grounding terminal design at each busbar flange end allows for a seamless overall grounding system after the busbar system is installed.
6. The exterior shell is coated with a matte finish paint, with color options available upon customer request.

Section 3: Insulation Configuration
The busbars of LSMX series high-voltage enclosed busway use air as the insulation medium, and select the corresponding insulation electrical gap (mm) based on different electrical turn grades.

IV. Main Technical Parameters
1. Rated Current: 250A, 400A, 630A, 800A, 1000A, 1250A, 1600A, 2000A, 2500A, 3150A, 4000A, 5000A, 6300A.
2. Operating frequency: 50-60 Hz, three-phase three-wire.
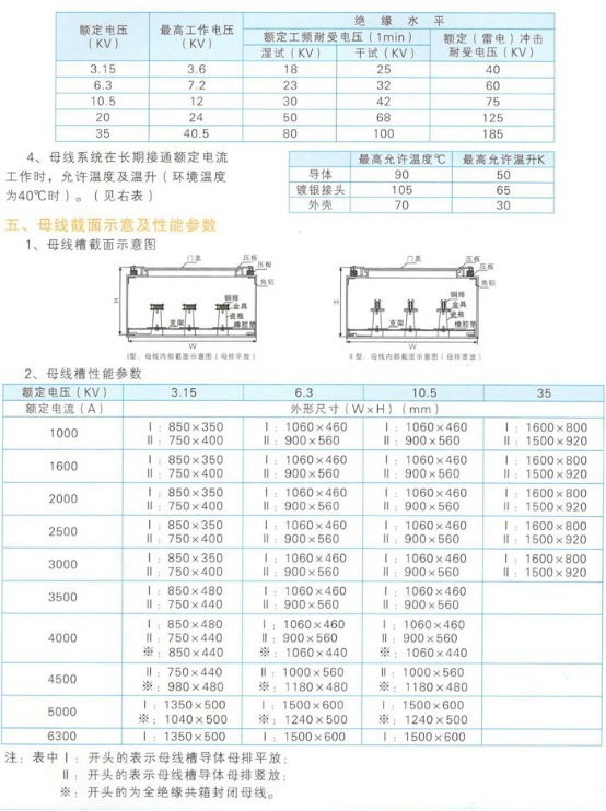
3. Rated working voltage, high working voltage, rated withstand voltage for frequency (1min), rated (lightning) impulse withstand voltage. (See the table below.)



