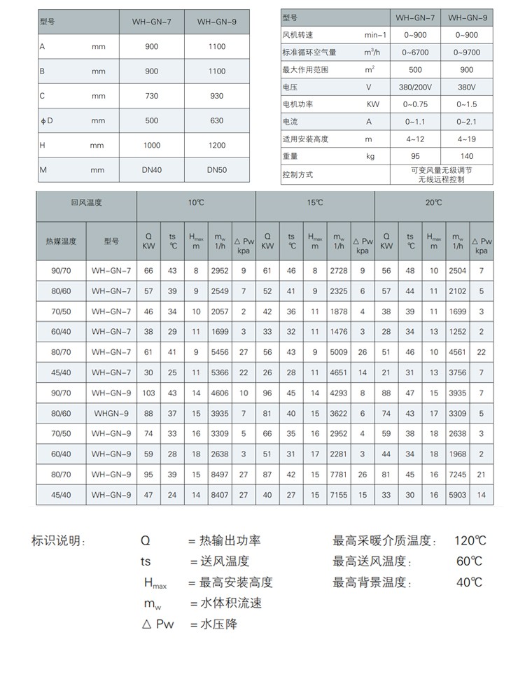
High-ceiling space heating unit warm air blower is a combination of an automatic control system for heating indoor air, consisting of an engine and heat pipe radiator. It is particularly suitable for workshops that allow the recycling and reuse of indoor air. When the air does not contain dust concentration values or flammable gases, it can be used to heat the circulated indoor air. Product features of the high-ceiling space heating and heating unit:
High-rise space heating and cooling unit circulation system gas energy acquisition.
2. High-ceiling space heating and air conditioning units with forced air convection, evenly distributed gas, available with stepless variable-frequency control, for environmental protection and energy conservation.
3. Wireless operation method for high and spacious space heating and air conditioning units, easy and quick to operate, with single unit control.
4. Large space heating and cooling unit installation and adjustment are easy, saving installation costs.












.jpg)













