- AllProduct Category
-
Terminal Block
Numerical Control Relay Module
Screw Terminal Block (Interface Module)
Screw Relay Module
Straight插Block Terminal
Direct Insert Relay Module


详情描述
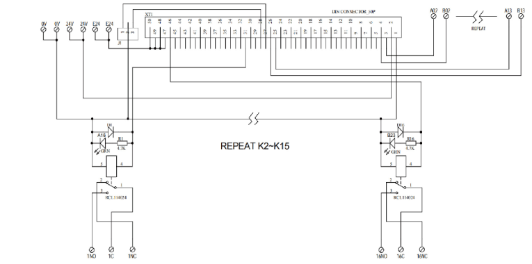
Siemens, Fanuc CNC System Relay Module SMD-16DO-1CO-P-F50
Applicable to
Suitable for PLCs with integrated digital input/output, such as Fanuc, Siemens, etc.
Features
Easy to connect, less prone to errors
② Easy maintenance
③ Compact size




询价单













