The KVD-12 series circuit breaker mechanism is a配套 equipment for the switching operations of closing and opening in the filled high-voltage ring main unit. This series uses a tension spring to control the closing action of the circuit breaker, while the opening operation employs a compressed spring for energy storage control. The product features reclosing functionality and, when combined with an isolation mechanism, offers interlock capabilities. It boasts high reliability and a mechanical lifespan of over 10,000 operations.
The KVD-12-A2 and KJVD-12/A2X are toggle-mounted circuit breakers we introduced to meet market demand. The operation handles are horizontally designed for closing and opening operations. The horizontally arranged handles and switches have greater spacing compared to vertically arranged ones, allowing customers to easily add dust-proof safety covers as needed, resulting in a more harmonious and aesthetically pleasing appearance for the finished cabinet panels.
User Manual
All operations capable
The mechanism is mounted and secured in the cabinet. Insert the mechanism handle into the operating shaft located at the lower right of the mechanism, and rotate the handle clockwise until you hear a "click" (at this point, the energy storage indicator shaft will push the micro-motion to a fully closed state). The energy is stored. During electrical operation, after the mechanism is powered on, it will automatically run the energy storage. Once the energy is stored, the motor circuit is disconnected, and the energy storage is maintained, waiting for the release and closing of the circuit (ensure the accuracy of the secondary circuit during electrical operation).
Closing operation:
During manual operation, turn the green knob counterclockwise to instantaneously release the closed-circuit energy storage, and the mechanism pushes the circuit breaker switch to close the main circuit. In electric operation, energize the coil of the closing solenoid, causing it to release the energy storage instantly, while the mechanism pushes the circuit breaker switch to close the main circuit. Simultaneously, the spring for opening is charged with energy (you can continue to charge energy at this point, but due to the anti-misoperation interlock, re-closing operation is not possible).
Breaker operation:
Manually, rotate the red knob clockwise to instantly release the circuit breaker's stored energy, and the mechanism will push the switch to open the main circuit. Electrically, energize the circuit breaker's solenoid coil, and the solenoid will instantly release the stored energy, with the mechanism then pushing the switch to open the main circuit.
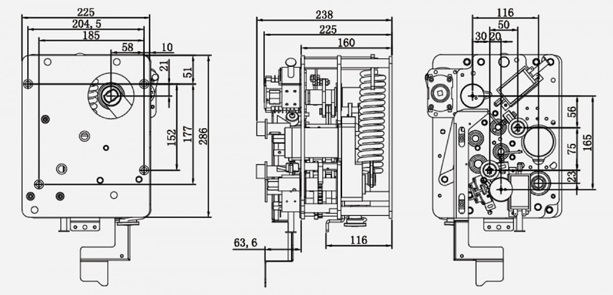
Actuator external and installation dimensions






